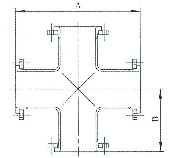
襯四氟四通:襯四氟四通形式有護套法蘭連接的鑄鐵搪玻璃四通(B型)和鑄鋼法蘭連接的襯四氟四通(C型),應用的公稱壓力≤0.6Mpa,介質溫度適用於-10~200℃。
襯四氟四通特點:襯四氟四通耐壓性好,用於化工流程中各個介質的輸送,內壁光滑,易於清洗及出料,隔離金屬離子,無金屬離子汙染介質,確保介質品質、香味、色澤不受影響。

襯四氟四通:襯四氟四通形式有護套法蘭連接的鑄鐵搪玻璃四通(B型)和鑄鋼法蘭連接的襯四氟四通(C型),應用的公稱壓力≤0.6Mpa,介質溫度適用於-10~200℃。
襯四氟四通特點:襯四氟四通耐壓性好,用於化工流程中各個介質的輸送,內壁光滑,易於清洗及出料,隔離金屬離子,無金屬離子汙染介質,確保介質品質、香味、色澤不受影響。
